Algemeen
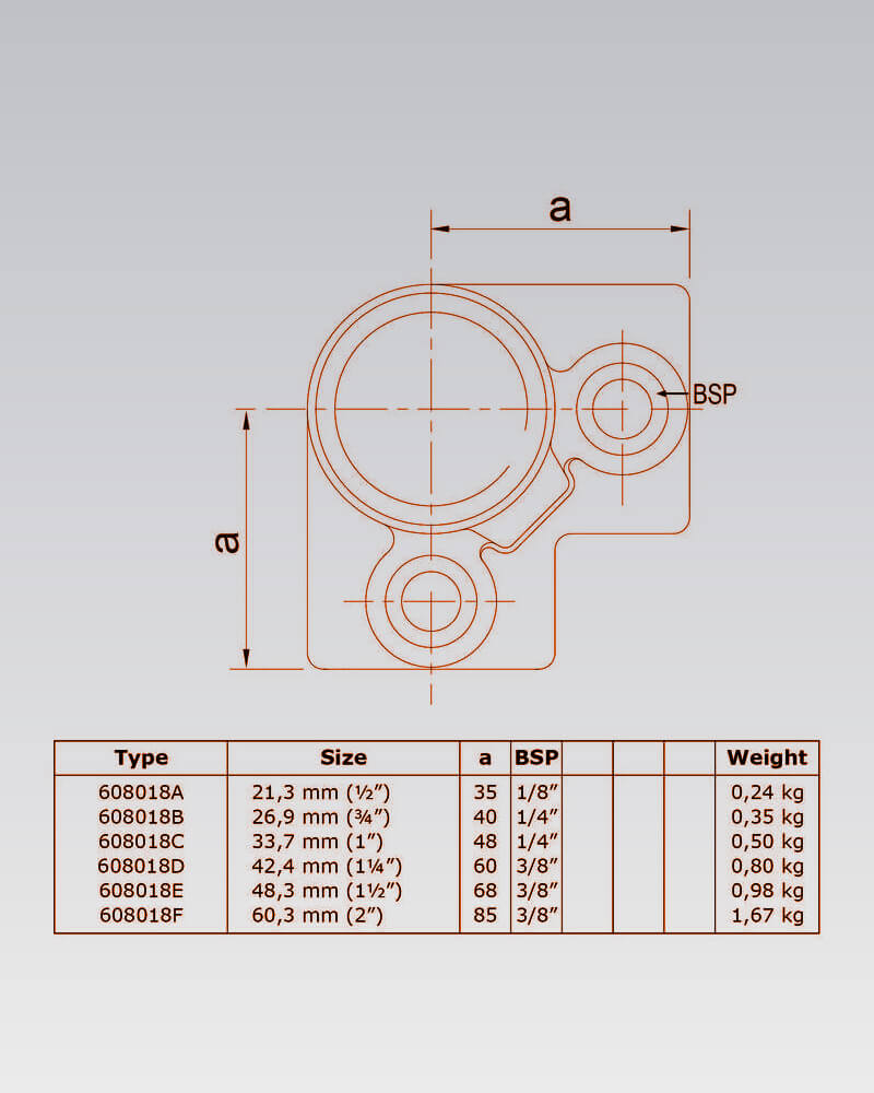
De Buiskoppeling – Drieweg kniestuk 90° (Nr 18) is een essentieel component voor het realiseren van complexe buisverbindingen in diverse toepassingen. Dit drieweg kniestuk is ontworpen om een stevige en betrouwbare verbinding te bieden tussen buizen met verschillende diameters, namelijk 33,7 mm (C), 42,4 mm (D), 48,3 mm (E) en 60,3 mm (F). Het gebruik van hoogwaardig staal in combinatie met een nauwkeurige afwerking garandeert niet alleen een uitstekende sterkte, maar ook een lange levensduur, zelfs onder zware omstandigheden. De oppervlaktebehandeling zorgt voor een optimale bescherming tegen corrosie en andere invloeden van buitenaf, waardoor het kniestuk ideaal is voor zowel binnen- als buitentoepassingen.
Dit drieweg kniestuk is bijzonder geschikt voor gebruik in de bouwsector, de industrie en agrarische toepassingen, waar robuuste en flexibele buisverbindingen noodzakelijk zijn. Of het nu gaat om het opzetten van tijdelijke constructies, het bouwen van frames of het aansluiten van leidingen voor irrigatiesystemen, de Buiskoppeling – Drieweg kniestuk 90° (Nr 18) biedt de perfecte oplossing. Dankzij het doordachte ontwerp kunnen professionals snel en efficiënt werken, zonder in te boeten op de kwaliteit van hun projecten. Het kniestuk is niet alleen eenvoudig te installeren, maar biedt ook de mogelijkheid om buiskoppelingen te combineren met andere accessoires, wat de veelzijdigheid verder vergroot. Met een breed scala aan maten en uitvoeringen is dit kniestuk een flexibele keuze voor verschillende projectbehoeften.
Het bestelproces is eenvoudig en gebruiksvriendelijk, zodat u snel aan de slag kunt met uw projecten. Door online te bestellen profiteert u van korte levertijden en deskundige ondersteuning, zodat u de beste materialen in handen krijgt, precies wanneer u ze nodig heeft. Kies voor de Buiskoppeling – Drieweg kniestuk 90° (Nr 18) en ervaar zelf de kwaliteit en betrouwbaarheid die deze hoogwaardige buiskoppeling te bieden heeft.


